Installation von Überspannungsableitern – praktische Tipps.
- Porady
- 124 Ansichten
Allgemeine Hinweise zur Installation von Überspannungsableitern
Bei der Installation von Überspannungsableitern ist unbedingt zu beachten, dass jede Geräteart eine unterschiedliche Funktion erfüllt. Für jeden Typ stellt ein seriöser Hersteller eine eigene Installationsanleitung zur Verfügung. Genau dort finden sich die wichtigsten Informationen zur fachgerechten Montage des jeweiligen Überspannungsableiters.
Grundsätzlich lassen sich jedoch einige allgemeine, praxisnahe Empfehlungen formulieren, die die Installation erleichtern. Wenn diese beachtet werden, sollte die Montage reibungslos und ohne größere Probleme verlaufen.
Allgemeine Hinweise zur Installation von Überspannungsableitern
Es gibt zwar allgemeine Empfehlungen, die für die Installation aller Überspannungsableiter gelten, dennoch ist unbedingt zu beachten, dass jede Geräteart eine völlig unterschiedliche Funktion erfüllt. Für jeden Typ stellt ein seriöser Hersteller eine eigene Installationsanleitung zur Verfügung. Genau dort befinden sich die wichtigsten Informationen zur fachgerechten Montage des jeweiligen Ableiters.
Grundsätzlich lassen sich jedoch einige universelle Hinweise formulieren, die die Installation erleichtern und dazu beitragen, dass sie reibungslos und ohne größere Probleme durchgeführt werden kann.
Zusätzlicher Schutz empfindlicher Geräte
Besonders wichtig ist der Querschnitt des Schutzleiters (PE). Dabei muss der Nennstrom der vor dem Überspannungsableiter installierten Sicherung berücksichtigt werden. Der Leiterquerschnitt für einen Ableiter vom Typ 2 darf 6 mm² nicht unterschreiten, kann jedoch – und wird empfohlen – größer ausgeführt werden. Dies hängt vom maximal möglichen Strom ab, der durch die vorgeschaltete Sicherung auf der Einspeiseseite begrenzt wird.
Je höher also die Werte der Überstromschutzeinrichtungen sind, desto größer muss auch der Querschnitt des PE-Leiters sein – im Extremfall bis zu 16 mm².
Im Zusammenhang mit einem Überspannungsableiter vom Typ 2 ist zudem zu beachten, dass im TN-S-Netzsystem Ableiter in der 3+1-Schaltung bessere – nämlich um etwa die Hälfte niedrigere – Schutzpegel bieten.
Ein geeignetes Gerät für Verteilungen und Schaltschrankanwendungen ist beispielsweise der VAL-SEC-T2-3S-350 (Art.-Nr. 2905345).


Es ist ebenfalls zu beachten, dass der Überspannungsableiter möglichst nahe am zu schützenden Gerät installiert werden sollte. Befindet sich der Ableiter in einer Entfernung von mehr als 10 Metern, ist ein weiterer Ableiter direkt am geschützten Gerät bzw. Objekt vorzusehen. In einem solchen Fall können erneut Ableiter vom Typ 2 oder auch vom Typ 3 eingesetzt werden.
Die Herstellerangaben zum erforderlichen PE-Leiterquerschnitt in Abhängigkeit von den vorgeschalteten Sicherungen sind zwingend zu beachten. Diese Informationen müssen der Installationsanleitung entnommen werden.
Befindet sich die Überspannungskategorie I (LPZ 3) außerhalb der Energie- oder Steuerungsverteilung, jedoch innerhalb des Gebäudes, können Überspannungsableiter verwendet werden, die in Unterputz-Gerätedosen installiert oder als spezielle Adapter montiert werden. Jeder dieser Ableiter verfügt über eine mechanische Statusanzeige; einige Modelle sind zusätzlich mit einer akustischen Signalisierung ausgestattet.
Blitzentladungen und die Installation von Überspannungsableitern
Wenn die Hauptversorgung von außen in die Hauptverteilung des Gebäudes geführt wird und das Gebäude über eine eigene Blitzschutzanlage (oder ein anderes Blitzschutzsystem) verfügt, muss gemäß PH-HD 60364-5-534:2016 ein Überspannungsableiter eingesetzt werden, der nach Prüfklasse I (Typ 1) getestet wurde.
Dies ist insbesondere an der Schnittstelle zwischen der äußeren und inneren Schutzzone des Gebäudes (LPZ 0/I) von Bedeutung. In diesem Bereich werden häufig Betriebsmittel der Überspannungskategorie IV installiert – beispielsweise Energiezähler, die besonders empfindlich gegenüber Blitzentladungen und netzseitig induzierten Schaltüberspannungen im Niederspannungsnetz (230 VAC) sind.
Bei der Installation von Überspannungsableitern ist besondere Aufmerksamkeit auf deren technische Parameter zu richten. Werden Ableiter mit einem Iimp-Wert unter 12,5 kA (10/350 µs) gewählt, ist eine Gefährdungsanalyse des Objekts erforderlich, um die Eignung des Produkts nachzuweisen. Wird hingegen ein Ableiter der Prüfklasse I mit einem Iimp ≥ 25 kA (10/350 µs) installiert, ist eine solche Analyse nicht notwendig.
Es ist zudem zu berücksichtigen, dass überall dort, wo potenzielle Ableitungen nach außen bestehen, auch mit dem Auftreten von Teilblitzströmen in diesen Stromkreisen zu rechnen ist. In solchen Fällen ist ein zusätzlicher Typ-1-Ableiter erforderlich. Dieser Aspekt wird häufig übersehen – mit nachteiligen Folgen für die gesamte Installation.
Besondere Schutzmaßnahmen – welches Modell wählen?
In jeder Energieversorgungsanlage treten unerwartete Überspannungen auf. Daher ist es sinnvoll, einen Ableiter zu wählen, der diese im täglichen Betrieb zuverlässig beherrscht.
Moderne Hauptverteilungen sind häufig mit elektronischen Geräten ausgestattet – deshalb ist die Ansprechgeschwindigkeit des Überspannungsableiters von entscheidender Bedeutung.
Bei der Auswahl des geeigneten Geräts gilt:
-
Für Fünfleitersysteme eignet sich der
FLT-SEC-T1+T2-3S-350/25-FM (Art.-Nr. 2905470) -
Für Vierleitersysteme mit PEN-Leiter wird der
FLT-SEC-T1+T2-3C-350/25-FM (Art.-Nr. 2905469) empfohlen
Dabei handelt es sich um eine physikalische Kombination zweier unterschiedlicher Ableitertypen – Typ 1 und Typ 2. Durch diese Kombination arbeitet das Gerät deutlich schneller als ein herkömmlicher Ableiter vom Typ 1 allein.

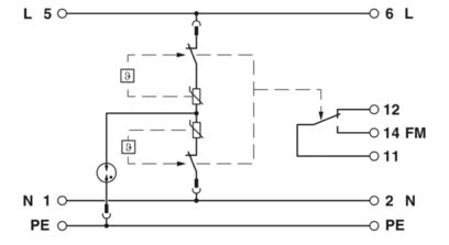
- Abb. 1. Universelle, praxisgerechte Kombination zweier unterschiedlicher Überspannungsableiter für fünfadrige Versorgungsnetze zum Schutz von Anlagen der Schutzklasse IV bis Schutzklasse I.
[ FLT-SEC-T1+T2-3S-350/25-FM – Art.-Nr. 2905470 ]


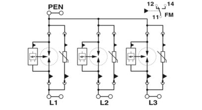
• Abb. 2. Steckbares Kombi-Blitzstrom- und Überspannungsableitermodul, Typ 1 + Typ 2 / Klasse I + II, für dreiphasige Versorgungsnetze mit gemeinsamem PE- und N-Leiter (L1, L2, L3, PEN).
[ FLT-SEC-T1+T2-3C-350/25-FM – Art.-Nr. 2905469 ]
Der Schutzpegel Up liegt unter 1,5 kV – genau der Wert, der zum Schutz empfindlicher elektronischer Geräte erforderlich ist. Der maximale Vorsicherungswert beträgt 315 A gG. Damit stellt dieses Gerät auch eine ausgezeichnete Lösung zum Schutz der Stromversorgung kleiner Unterverteilungen oder wichtiger autonomer Containeranlagen dar.
In der beschriebenen Situation gelten ähnliche Installationshinweise wie bei der Montage eines Ableiters vom Typ 2, wobei unbedingt die herstellerspezifischen Angaben in der Installationsanleitung zu beachten sind – insbesondere im Hinblick auf das Verhältnis zwischen vorgeschalteter Sicherung und Schutzleiterquerschnitt.
Wird ein Objekt der Schutzklasse I oder II abgesichert, sollte darauf geachtet werden, keine „V“-Schaltung zu verwenden, da hierbei der maximal zulässige Strom durch die doppelten Anschlussklemmen des Ableiters begrenzt wird.
Sind in der Hauptverteilung keine elektronischen Geräte mit besonders kritischen Funktionen installiert (z. B. Netzteile, Frequenzumrichter, Steuerungen, Blindleistungskompensation usw.), kann alternativ eine „langsamere“ Lösung in Betracht gezogen werden. Ein Beispiel hierfür ist das Set FLT-SEC-P-T1-3S-350/25-FM (Art.-Nr. 2905421), bestehend aus klassischen Funkenstrecken-Ableitern der Prüfklasse I. Diese eignen sich besonders für den Einsatz in fünfadrigen TT- bzw. TN-S-Netzen.
Zulässige Anschlussarten von Überspannungsableitern im TN-S-Netz und ihre Vorteile für den Anwender.

• Abb. 3. Steckbarer Blitzstromableiter, entsprechend Typ 1 / Klasse I, für dreiphasige Versorgungsnetze mit getrenntem N- und PE-Leiter (L1, L2, L3, PE, N). [ FLT-SEC-P-T1-3S-350/25-FM – Art.-Nr. 2905421 ].
Siehe auch andere Artikel
Kommentare (0)